Содержание
Как устроен и работает сварочный трансформатор: физика для практика
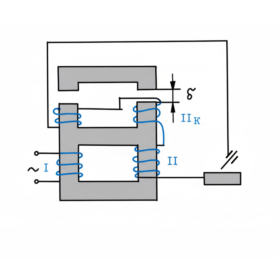
В своей основе сварочный трансформатор это гениально простое устройство. Его главная задача — понизить высокое напряжение из бытовой или промышленной сети (220В или 380В) до безопасного низкого уровня (обычно 50-90В) и одновременно многократно увеличить силу тока. Именно этот мощный ток и плавит металл, создавая сварочную дугу.
Если говорить просто, принцип сварки трансформатором выглядит так:
- Подача напряжения. Сетевое напряжение поступает на первичную обмотку, у которой много витков тонкого провода.
- Создание магнитного поля. Переменный ток создает в магнитном сердечнике переменное магнитное поле.
- Преобразование тока. Это поле, в свою очередь, наводит ток во вторичной обмотке. А у нее витков мало, но провод очень толстый. За счет этого напряжение падает, а сила тока возрастает до сотен ампер.
Этот сварочный трансформатор переменного тока отдает на электрод ток, который меняет свою полярность 100 раз в секунду (при частоте сети 50 Гц). Это накладывает свои особенности на процесс, но об этом позже.
Главные технические характеристики (шпаргалка для закупщика и инженера)
Когда вы смотрите на паспорт аппарата, десятки цифр могут сбить с толку. Давайте разберем три ключевых параметра, которые действительно важны.
- Напряжение (сетевое и холостого хода). С сетевым все просто — 220В или 380В. А вот напряжение холостого хода (Uхх) — это напряжение на клеммах, когда дуга еще не горит. Чем оно выше, тем легче зажечь дугу, особенно на грязном или ржавом металле. Для работы с основными марками электродов достаточно 50-70В.
- Диапазон сварочного тока и ПВ (Продолжительность включения). Диапазон тока определяет толщину металла, с которой вы сможете работать. ПВ — это показатель выносливости. Например, “ПВ 60% при 200А” означает, что из 10-минутного цикла аппарат может непрерывно варить на токе 200А в течение 6 минут, а 4 минуты ему нужно на охлаждение. Для промышленного использования ищите аппараты с ПВ не ниже 60%.
- Вольт-амперная характеристика (ВАХ). Это “характер” аппарата. У трансформаторов она крутопадающая. Это означает, что при случайном изменении длины дуги (рука дрогнула), сила тока меняется незначительно. Именно это и обеспечивает стабильность горения дуги при ручной сварке переменным током.
Совет эксперта: Рекомендуем всегда смотреть на ПВ с долей скепсиса. Часто производители указывают этот параметр для идеальных условий при 20°C. В реальном цеху летом при 35°C время непрерывной работы может сократиться на 20-30%. Перед закупкой партии всегда просите тестовый образец и погоняйте его на максимальных режимах.
Трансформатор против Инвертора: когда классика побеждает технологии
Это вечный спор. Но правда в том, что это два разных инструмента для разных задач. Мы свели ключевые отличия в простую таблицу.
|
Параметр |
Сварочный трансформатор |
Сварочный инвертор |
|
Принцип работы |
Прямое преобразование сетевого тока |
Двойное преобразование (AC-DC-AC) с высокой частотой |
|
Вес и габариты |
Тяжелый, громоздкий (20-100 кг) |
Легкий, компактный (3-15 кг) |
|
Надежность |
Исключительно высокая. Ломаться почти нечему |
Чувствителен к пыли, влаге и скачкам напряжения |
|
Качество шва |
Удовлетворительное, больше брызг |
Высокое, стабильная дуга, меньше брызг |
|
Цена |
Низкая |
Выше в 1.5-3 раза |
|
Энергопотребление |
Высокое, низкий КПД (до 80%) |
Экономичный, высокий КПД (до 95%) |
Вывод: Если вам нужен “неубиваемый” аппарат для стройплощадки, который не боится пыли, мороза и будет работать от нестабильной сети — берите трансформатор. Если же в приоритете мобильность, высокое качество шва и работа с тонкими металлами — ваш выбор инвертор.
Современные инверторные технологии: резка металла
Говоря о современных инверторных технологиях, нельзя не упомянуть их применение не только в сварке, но и в резке металла. Аппараты плазменной резки (CUT) работают по схожему инверторному принципу, но вместо сварочной дуги создают струю плазмы температурой до 30 000 °C, которая режет металл как масло.
В линейке GOODEL мы сделали ставку именно на инверторные технологии для резки, так как здесь важны точность и скорость.
|
Модель |
Макс. толщина реза (сталь) |
Давление воздуха |
Ключевая особенность |
|
25 мм |
4.5 – 5.5 бар |
Надежный аппарат для средних толщин, идеален для СТО и небольших цехов. |
|
|
40 мм |
5.0 – 6.0 бар |
Промышленная мощность для резки толстого металла в производственных масштабах. |
|
|
40 мм |
Встроенный |
Максимальная автономность. Не нужен отдельный компрессор, идеален для выездных работ. |
Эти аппараты — яркий пример того, как инверторная технология решает задачи, непосильные для классического трансформатора.
Сферы применения: где трансформатор до сих пор незаменим
Несмотря на популярность инверторов, есть ниши, где сварка трансформаторная остается вне конкуренции.
- Тяжелое строительство и ЖКХ. Сварка толстых швеллеров, балок, арматуры. Здесь не так важна эстетика шва, как его прочность и производительность. Аппарат просто работает весь день под дождем и снегом.
- Ремонтные мастерские. Когда нужно заварить раму грузовика или ковш экскаватора, нужна максимальная глубина провара, которую дает переменный ток.
- Простое производство. Изготовление ворот, заборов, металлоконструкций, где не требуется ювелирная точность.
Именно понимание того, для чего служит трансформатор, позволяет использовать его сильные стороны на 100%.
Часто задаваемые вопросы (FAQ)
- Можно ли варить нержавеющую сталь или алюминий трансформатором? Теоретически, нержавейку можно варить специальными электродами. Но качество шва будет низким. Алюминий варить переменным током без осциллятора практически невозможно. Для этих металлов однозначно нужен инвертор.
- Почему трансформатор сильно гудит и брызгает металл? Гудение — это вибрация пластин магнитопровода из-за переменного магнитного поля. Это норма. Большое количество брызг — особенность сварки переменным током, так как дуга нестабильна в момент смены полярности.
- Какой электрод лучше всего подходит для трансформатора? Лучше всего подходят рутиловые электроды (в маркировке буква “Р”), например, наши проверенные временем GOODEL ОК-46. Они легко зажигаются и стабильно горят на переменном токе.
Заключение
Сварочный трансформатор — это не пережиток прошлого. Это как надежный молоток в ящике с лазерными уровнями. Он прост, мощен и феноменально вынослив. Его задача — выполнять грубую, тяжелую работу там, где капризная электроника не выживет.
Надеемся, это руководство помогло вам разобраться, для чего служит сварочный трансформатор и какое место он занимает в арсенале современного специалиста. Если перед вами стоит сложная производственная задача, наши инженеры всегда готовы помочь подобрать оборудование, идеально подходящее под ваши процессы.
Приобрести можно в нашем магазине
Переходите по ссылкам ниже, чтобы купить электроды в официальном магазине GOODEL:
